2023 Vol. 44, No. 3
Display Method:
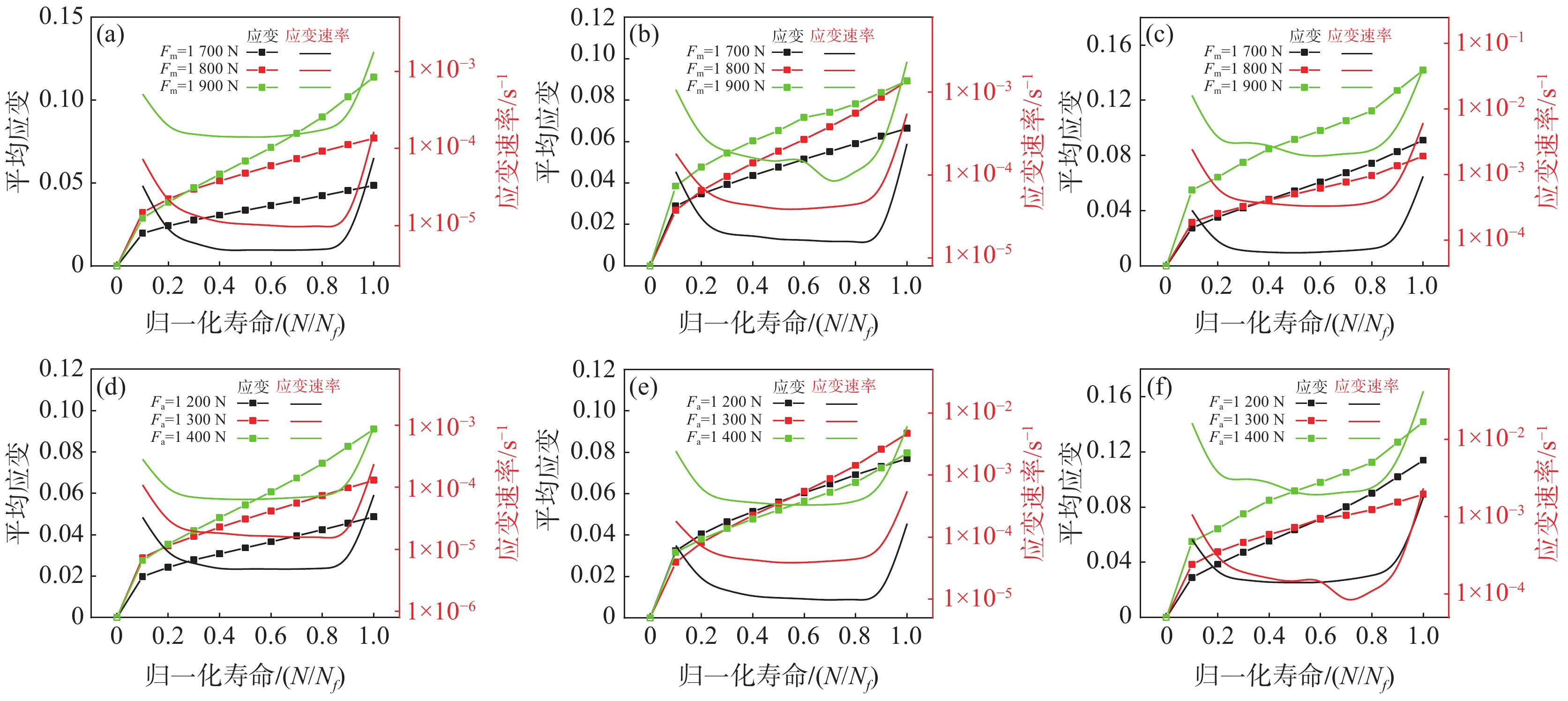
Wang Changlong,
Jing Jianlin,
Qi Yang,
Zhang Yuewen,
Zheng Yongchao,
Ma Jintao,
Ping Haoyan,
Zhai Yuxin,
Liu Feng
2023, 44(3): 105-113.
doi: 10.7513/j.issn.1004-7638.2023.03.016
Abstract:
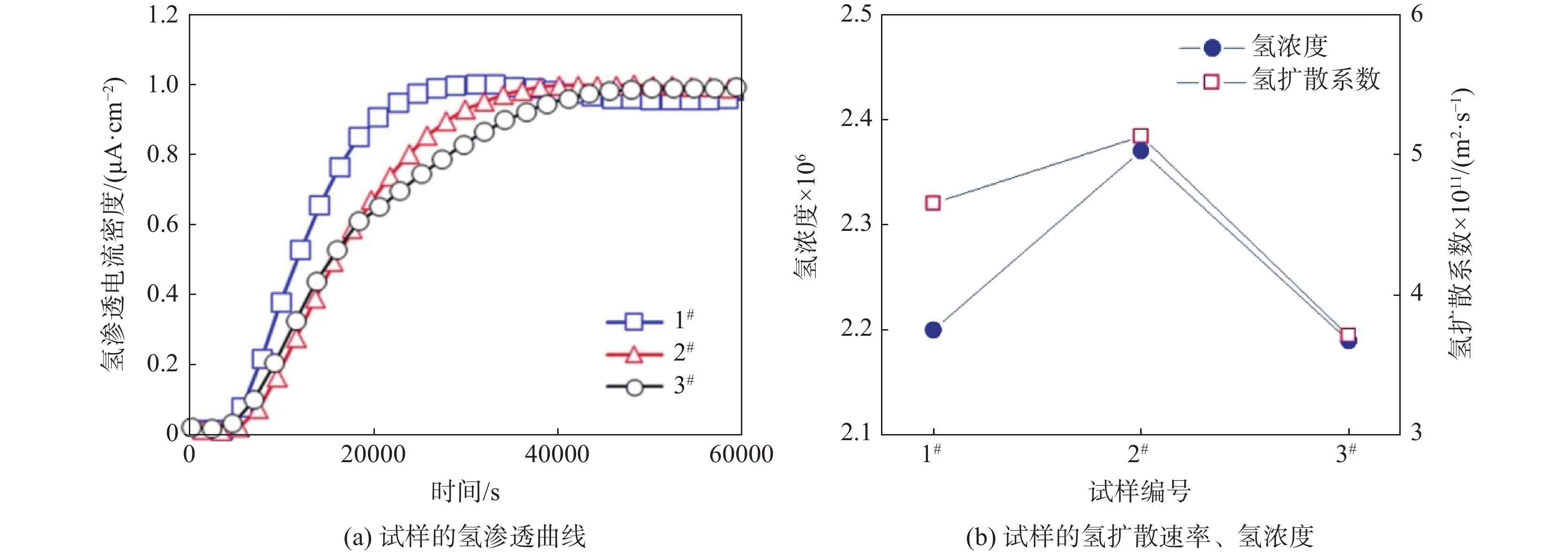
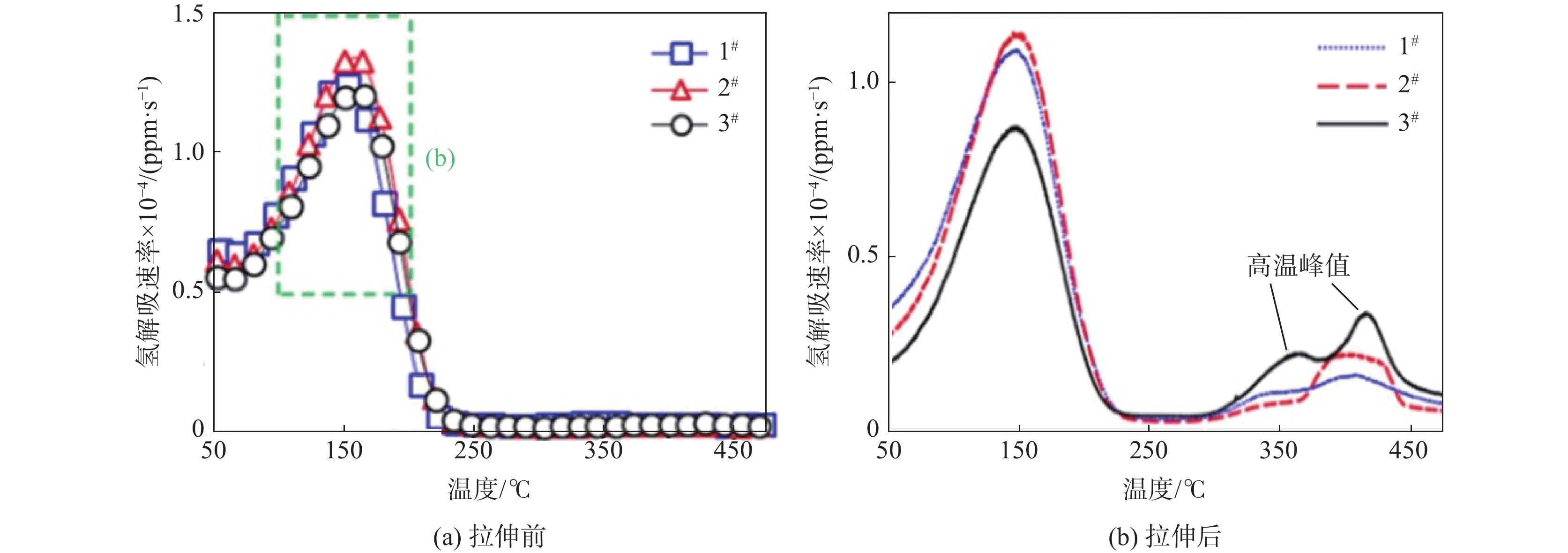
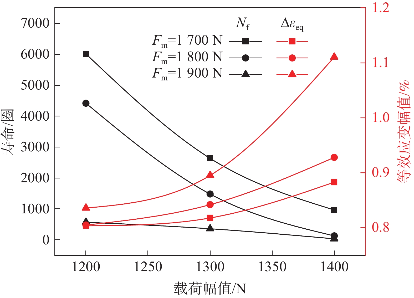
Effect of titanium content on hydrogen embrittlement behavior of bainite/martensite dual-phase steel
2023, 44(3): 171-176.
doi: 10.7513/j.issn.1004-7638.2023.03.026
Abstract:

